機能・仕様一覧表

| 撮像素子 | 200万画素 SONY CMOS センサー |
|---|---|
| 視野角 | 対角 162°(水平 137.4° 垂直 73.6°) 前後カメラ共通 |
| F値 | F値1.8 前後カメラ共通 |
| 記録解像度 (前後共通) |
1920×1080P(1080P FullHD) |
| 1280×720P(720P HD) | |
| 640×480(VGA) | |
| ファイル形式 | MP4(動画形式:H.264 録音形式:AAC) |
| 録画ファイル構成 | 30秒/1ファイル |
| フレームレート | 27.5fps |
| WDR | 搭載 |
| 記録メディア | microSDHC / microSDXC(8~256GB)/ 64GB付属 |
| 電源電圧 | 12V バッテリー搭載車専用 |
| 防塵・防水性能 | IP66/67(本体含む) |
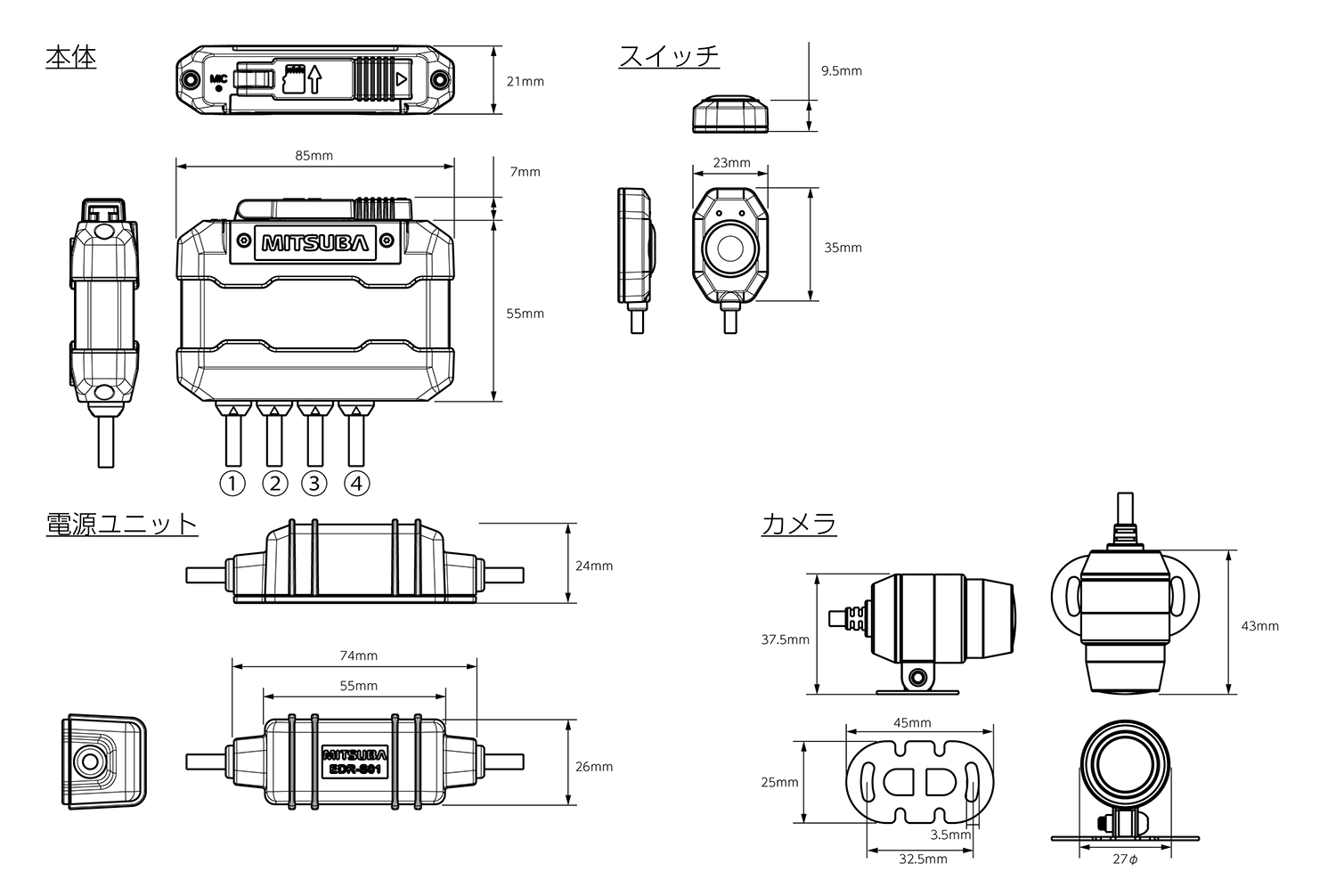
| 本体サイズ | 62mm(W)× 85mm(D)×21mm(H) 突起物除く |
| 重量 | 489g |
| 動作温度範囲 | -20℃~70℃(カメラ部 -20℃~60℃) |
| 保存温度範囲 | -25℃~85℃ |
| 記録方式 | 常時録画/イベント録画(衝撃録画、手動録画) |
| 記録データ | 映像ファイル、音声記録、日時、加速度 |
| 音声記録 | 本体内蔵マイク(ON/OFF可能) |
| Gセンサー | 搭載(5段階 ON/OFF可能) |
| 機能設定 | スマートフォン専用アプリ/専用PCソフト(microSDカード経由) |
| 記録映像再生方法 | スマートフォンアプリ「Moto DR」※1 PCソフト「Moto DR Player」※2 / PCソフト「Moto DR Player 2.0」※3 |
| 通信方式 | 無線LAN 2.4GHz帯 IEEE802.11b/g/n |
| 希望小売価格 | 52,580円(税込) |
※1 iOS12/Android5.0以上に対応します。
※2 Windows7以上に対応します。
※3 Windows10以上に対応します。
※ご購入前の注意事項









